ģȯ°æ ¿ø·á¼Ò°³ - ½ÇÇè°á°ú

¹ÙÀÌ¿À ÇÃ¶ó½ºÆ½ÀÇ ½ÇÇè½Ç ¹× ÀÚ¿¬ ȯ°æ³» »êÈ­»ýºÐÇØ ½ÃÇè °á°ú

PE º£À̽º ¹ÙÀÌ¿À Çʸ§ÀÇ »ýºÐÇØ¼º - ASTM G21, SEM

Polyethylene film Bio-based film(PE) Biodegradable film

PE º£À̽º ¹ÙÀÌ¿À Çʸ§ÀÇ »ýºÐÇØ¼º - ASTM G21, SEM

Polyethylene film Bio-based film(PP) Biodegradable film

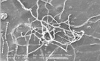
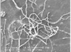
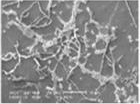
½ÇÇè½Ç Å×½ºÆ® °á°ú - SEM

Experiment start
After 1 week
After 2 week
  • PE Çʸ§, ¹ÙÀÌ¿À º£À̽º Çʸ§, »ýºÐÇØ Çʸ§À» ASTM ¹æ¹ý¿¡ µû¶ó ź¼Ò¿ø(Carbon source)À» Á¦¿Ü½ÃŲ ¹Ì»ý¹° ¹è¾ç¹èÁö¿¡¼­ ½ÇÇèÇÑ °á°ú, ¹ÙÀÌ¿À º£À̽º ¹× »ýºÐÇØ Çʸ§¿¡¼­´Â ¹Ì»ý¹°ÀÌ ¼ºÀåÇÏ¿© ¹Ì»ý¹°¿¡ ÀÇÇÑ ºÐÇØ¸¦ È®ÀÎÇÏ¿´´Ù.
  • ¹è¾ç¹èÁö¿¡ ź¼Ò¿øÀ» Á¦¿Ü½ÃÄױ⠶§¹®¿¡ ½Ã·á Çʸ§À» ºÐÇØÇÏ¿© ź¼Ò¿øÀ» º¸ÃæÇÏ¸é ¹Ì»ý¹°ÀÌ ¼ºÀåÇÏ°í ºÐÇØ¸¦ ¸ø½ÃŰ¸é ¹Ì»ý¹°ÀÌ ¼ºÀåÇÏÁö ¸øÇÑ´Ù.

*Reference*

  • "Manufacturing Multi-degradable Food Packaging Films and Their Degradability" Korean J. Food Sci. Technol, 35(5), p877-883, 2003
  • "Degradability of Multi-Degradable HDPE and LDPE Food Packaging Films" Food Sci. Biotechnol., 12(5), p548-553, 2003
  • "Studies in the Development of Biodegradable Plastics and Their Safety and Degradability" Food Engineering, 15(3), p257-261, 2011
  • "Development of Oxo-biodegradable Bio-plastics Film Using Agricultural By-product such as Corn Husk, Soybean Husk, Rice Husk and Wheat Husk, 20(3), 2014

¹ÙÀÌ¿À ÇÃ¶ó½ºÆ½ÀÇ ½ÇÇè½Ç ¹× ÀÚ¿¬ ȯ°æ³» »êÈ­»ýºÐÇØ ½ÃÇè °á°ú

Pictures of PE base bio films after UV and heat treatment

  • Left : UV
  • Right : Heat treatment

Changes in elongation of PE based bio film during heat Treatment(68¡¾2¡É, RH 85%)

  • Black : width
  • Pink : length

Changes in elongation of PP based bio film during heat Treatment(68¡¾2¡É, RH 85%)

  • Blue : PP
  • Pink : Bio additive 10%
  • Green : Bio additive 20%

*Reference*

  • "Multi-degradable Food Packaging Plastics Prospect of Their Pactical Use" Food Engineering Process, 7(3), p134-140, 2003
  • "Assessment and Applications of Multi-Degradable Polyethylene Films as Packaging Materials" Food Sci. Biotechnol., 15(1), p5-12, 2006

Pictures of PE base bio films after UV and heat treatment

  • Left : UV
  • Right : Heat treatment

Changes in elongation of PE based bio film during heat Treatment(68¡¾2¡É, RH 85%)

  • Black : width
  • Pink : length

Changes in elongation of PP based bio film during heat Treatment(68¡¾2¡É, RH 85%)

  • Blue : PP
  • Pink : Bio additive 10%
  • Green : Bio additive 20%

ºÐÀÚ·® °¨¼Ò ½ÇÇè, Àû¿Ü¼± ºÐ±¤ °á°ú

  • (1) ºÐÀÚ·® °¨¼Ò ½ÇÇè °á°ú

    Àڿܼ±, ¿­ µîÀÇ ¿ÜºÎÀڱؿ¡ ³ëÃâ½ÃŰÁö ¾ÊÀº Çʸ§¿¡¼­´Â 1710 ~ 1750cm-1ÀÇ Ä«¸£º¸´Ò(carbonyl)µÊÀ» È®ÀÎÇÏ¿´´Ù. ¼ö½Ê¸¸ÀÇ °íºÐÀÚ·®ÀÇ Æú¸®¸Ó´Â ºÐÇØ ÈÄÀÇ °æ¿ì 10,000 ~ 20,000Á¤µµ·Î °¨¼ÒÇÏ¿´À¸¸ç, ¿­ ¹× UV¿¡ ÀÇÇÑ ºÐÇØÀÇ °æ¿ì´Â ºÐÀÚ·®ÀÌ 7,800 ~ 8,000À¸·Î °¨¼ÒµÇ¾ú´Ù. ÀúºÐÀÚÈ­ µÈ Çʸ§Àº ¹Ì»ý¹°¿¡ ÀÇÇÏ¿© ºÐÇØµÉ ¼ö ÀÖÀ¸¸ç, ÀÌ´Â ¹ÙÀÌ¿À¸Å½º Çʸ§ÀÇ »ýºÐÇØ Ư¼ºÀ» È®ÀνÃÄÑÁÖ´Â ½ÇÇè°á°úÀÌ´Ù.

  • (2) Àû¿Ü¼± ºÐ±¤ ½ÇÇè °á°ú

    ºÐÇØÈÄ Çʸ§Á¦Ç°ÀÇ Áß·® Æò±Õ ºÐÀÚ·® ºÐÆ÷°¡ Å©°Ô ³·°Ô À§Ä¡Çϰí ÀÖ¾úÀ¸¸ç, Àå¼â °íºÐÀÚ°¡ ÀúºÐÀÚÈ­ Èí¼ö´ë¸¦ °üÂûÇÒ ¼ö ¾ø´Â ¹Ý¸é, 40Àϰ£ ±¤ ³ëÃâ ÈÄÀÇ Çʸ§°ú 120Àϰ£ ¿­ ³ëÃâµÈ Çʸ§¿¡¼­ Ä«¸£º¸´Ò Èí¼ö´ë¸¦ °üÂûÇÒ ¼ö ÀÖ¾ú´Ù. Ä«¸£º¸´Ò±â´Â ÇÃ¶ó½ºÆ½ÀÌ ºÐÇØµÇ´Â °úÁ¤¿¡¼­ »ý¼ºµÇ´Â ¹°ÁúÀÌ´Ù.

* Ãâó *

¡°º¹ÇÕºÐÇØ¼º ½ÄǰÆ÷Àå¿ë ÇÃ¶ó½ºÆ½¡±, »ê¾÷½Äǰ°øÇÐ

  • Food Engineering Process, 7±Ç 3È£, p134-140. 2003. 8. Chung, M.S., Lee, W.H., You, Y.S., Kim, H.Y., Park, K.M., and Lee, S.Y. 2006. Assessment and Applications of Multi-Degradable Polyethylene Films as Packaging Materials. Food Sci. Biotechnol., 15(1) : 5-12. Scott, G., Ed., 1993, Atmospheic Oxidation and Antioxidants, Elsevier, London.

¸ðÀÇ Åä¾ç ¸Å¸³ ½ÃÇè °á°ú

¿Âµµ¿Í ½Àµµ°¡ Á¶ÀýµÈ ¸ðÀÇ ¸Å¸³ ȯ°æ¿¡¼­ »êÈ­»ýºÐÇØÁ¦¸¦ ±¸¼ºÇÏ´Â ¼ººÐµéÀÇ È¥ÇÕºñ¸¦ ´Ù¸£°Ô ÇÑ Çʸ§À» 6°³¿ù°£ ³ëÃâ½ÃŲ °á°ú »ýºÐÇØ ¹°ÁúÀÌ ºÐÇØµÇ¾î ´Ù°ø¼º »óŰ¡ µÇ°í ºÐÀÚ·®ÀÌ ÀúÇϵǴ °ÍÀ» È®ÀÎÇÏ¿´´Ù.

  • ¼º±Õ°ü´ë, °¡Å縯´ë °øµ¿¿¬±¸ ¿¬±¸°á°ú
  • ³ó±âÆò ¿¬±¸°úÁ¦ °á°ú(¿¬¼¼´ë, Çѱ¹½Äǰ¿¬±¸¿ø µî)

¸Å¸³½ÇÇè

  • SEM 3,000 ¸Å¸³ 60ÀÏ ½ÃÇè
  • Mixing rato : Bio additive 40% and resin 60%
  • ¼º±Õ°ü´ë °øµ¿ ¿¬±¸
  • Left : PE Base film
  • Right : PP base film

¸ÖĪ Å×½ºÆ®

¸ÖĪ Çʸ§

  • Á¦Á¶°øÁ¤ : »ýºÐÇØ ¹× ¹ÙÀÌ¿À ÷°¡Á¦ Æç·¿ >¾ÐÃâ(Çʸ§ ¿ÏÁ¦Ç°)
  • Á¦Ç°ÀÇ Æ¯ÀåÁ¡ : ºÐÇØ±â°£ Á¶Àý-ÀÛ¹°»ýÀ°±â°£ ¿¬°è > ±âÈÄ, ¿Âµµ, Åä¾ç À¯±â¹°·®, Åä¾ç ¼öºÐ µî¿¡ ¹Î°¨ÇÏ´Ù.
±¸ºÐ ¹Ì»ý¹° ¹è¾ç½ÇÇè
ASTM G20 38µµ, 30ÀÏ ¹è¾çSEM 1000¹è »çÁø
¸ÖĪ ½ÇÇè
³ó¾÷ÁøÈïû Æ÷Àå½ÇÇè°íÃß ¸ÖĪ(7°³¿ù)
ÀÏ¹Ý ÇÃ¶ó½ºÆ½
ÀÚ¿¬ºÐÇØ ÇÃ¶ó½ºÆ½
»ýºÐÇØ ÇÃ¶ó½ºÆ½

ÇØ¿Ü Á¦Ç°°úÀÇ ºñ±³ ½ÃÇè °á°ú

ÁÂÃøÀÌ º»»ç Á¦Ç°ÀÇ ºÐÇØ°á°ú°¡ ÇØ¿Ü C»ç ´ëºñ ºÐÇØ¼ºÀÌ ¿ì¼öÇÏ´Ù. ±¤ÁÖ ¿ø¿¹³óÇù ½ÃÇèÀå¿¡¼­ 9°³¿ù°£ ½ÃÇèÇÑ °á°úÀÌ´Ù.

ºñºÐÇØ ¸ÖĪ, ´ç»ç 2Á¾, ÇØ¿Ü ±¤ºÐÇØ 2Á¾, ÇØ¿Ü »ýºÐÇØ 2Á¾ ¹× ÇØ¿Ü º¹ÇÕºÐÇØ 1Á¾ ÇÕ°è 8Á¾ÀÇ ¸ÖĪÇʸ§À» ½ÃÇ豺À¸·Î ÇÏ¿© ³óÃÌÁøÈïû ±¹¸³³ó¾÷°úÇпø¿¡¼­ 7°³¿ùµ¿¾È ºñ±³ ½ÇÇèÇÑ °á°úÀÌ´Ù.

(1) ½ÇÇè ½ÃÀÛÈÄ 3°³¿ù °æ°ú

(2) ½ÇÇè ½ÃÀÛÈÄ 7°³¿ù °æ°ú

ºñºÐÇØ ´ç»ç I ÇØ¿Ü ±¤ºÐÇØ I ÇØ¿Ü ±¤ºÐÇØ II
ÇØ¿Ü »ýºÐÇØ I ÇØ¿Ü »ýºÐÇØ II ÇØ¿Ü º¹ÇÕºÐÇØ(»êÈ­»ý) ´ç»ç II

¼º±Õ°ü´ë, ¼­°­´ë °øµ¿¿¬±¸ °á°ú

¹ÙÀÌ¿À ÀçÁú ¸ÖĪ Çʸ§ÀÇ ¾ß¿Ü½ÇÇè

½ÇÇè½ÃÀÛ 60ÀÏ °æ°úÈÄ 90ÀÏ °æ°úÈÄ